製品詳細
420FAS-NRB125 フットガード付
| 車輪 | ナイロン(B入)車 |
|---|---|
| 黒車もできます | |
|
▸
【許容荷重は約60%】 |
|
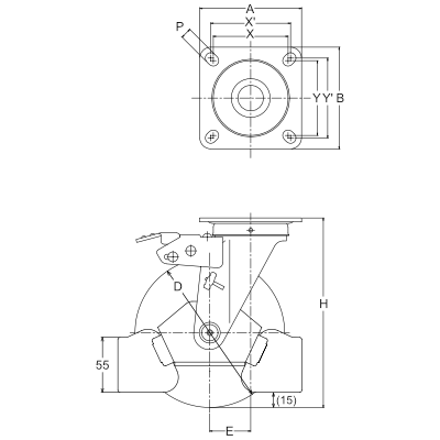
| 取付タイプ | 平付旋回 |
| ストッパー | ストッパーなし |
| 材質・表面処理 | スチール(三価クロム化成処理) |
| 車輪サイズ(D) | 125 mm |
| 許容荷重(1ヶ) | 150 daN |
| 取付高(H) | 168 mm |
| 取付座(A×B×C) | 102×102 mm |
| 取付寸法(X×Y×Z) | 75×75(80×80) mm |
| 取付穴径(P) | 11 mm |
| 偏心(E) | 38 mm |
| 旋回半径 | 136 mm |
| 車輪品種 | ▸429S-NRB |
| 車幅 | 35 mm |
| 補足情報 |
|---|
|


キャスター選びで迷ったら、ご相談ください

-
担当者にメールで相談したい
▸ お問い合わせフォーム
選択された条件も併せて担当者にお伝えしますので、スムーズにお話が進みます。

-
担当者と電話で連絡をとりたい
▸ ハンマーキャスターセールスの一覧
お急ぎの方には、こちらをおすすめします。
担当者がスピーディーに対応いたします。











































